Teplota u 1,8TDdi
- Ahmed
- Test driver

- Příspěvky: 3751
- Registrován: 02.02.2008 03:18
- Bydliště: Ostrava
Re: Teplota u 1,8TDdi
Já jsem tam ten elektro ohřev neměl, měl jsem naftový ohříváč. Ale pokud to tam je namontované, tak to musí být funkční. Jsou tam tři žhavící svíčky, ale myslím, že když jsem to četl v TISu, tak tam bylo napsané, že jsou nevyměnitelné, takže jestli jsou všechny 3 ko, tak nezbyde než to vyměnit celé nebo si zahrát na kutila Tima a nějak to udělat.
Pelen: předpokládám, že TIS máš, tak si dej vyhledat booster heater, mělo by ti to najít ten naftový i ten elektrický, je tam napsané jak to funguje, atd.
Našel jsem to co jsem tu psal nedávno, ale nevím, jestli to je všechno co tam k tomu je...
Electric Booster Heater
Diesel vehicles will be fitted with an electrically powered booster heater for the European market (except Scandinavia).
The three glow plug booster heater settings (0;1;2;3) are controlled by the powertrain control module (PCM) and switched via two relays. The PCM control ensures that the battery has adequate charge. The booster heater is deactivated when the energy requirement for all the consumers that are switched on would cause the battery to be drained.
The electric booster heater is switched on when the engine is running (signal D+ from the generator is active) and when the ambient temperature is lower than 5şC and the cylinder head temperature falls below 71şC
Pelen: předpokládám, že TIS máš, tak si dej vyhledat booster heater, mělo by ti to najít ten naftový i ten elektrický, je tam napsané jak to funguje, atd.
Našel jsem to co jsem tu psal nedávno, ale nevím, jestli to je všechno co tam k tomu je...
Electric Booster Heater
Diesel vehicles will be fitted with an electrically powered booster heater for the European market (except Scandinavia).
The three glow plug booster heater settings (0;1;2;3) are controlled by the powertrain control module (PCM) and switched via two relays. The PCM control ensures that the battery has adequate charge. The booster heater is deactivated when the energy requirement for all the consumers that are switched on would cause the battery to be drained.
The electric booster heater is switched on when the engine is running (signal D+ from the generator is active) and when the ambient temperature is lower than 5şC and the cylinder head temperature falls below 71şC
- ajvn
- Nováček

- Příspěvky: 69
- Registrován: 02.02.2008 03:18
- Bydliště: Zlín
Re: Teplota u 1,8TDdi
Tak termostat je vyměněný, zdá se, že je to ok. Docela mě zaujalo, že ten termostat, co jsem vyndal ( byla to náhrada ) měl odvzdušňovací otvor a ten nový, origo ford, ne. V "Jak na to" je u benziňáku popisovaný u origo nějaký otvůrek, kterým se to má dat nahoru, ale u dieselu už tam pak o tom nepíše. Tak nevím, ne mém nic nebylo.
V létě jsem ty žhaviče u toho přídavného el. topení taky přeměřoval a je tam fakt šílený přístup. Naštěstí je mám ok, ale v Microcatu mají svoje číslo, takže určitě vyměnit jdou. Ovšem je fakt, že na Originálních dílech se cena podle finis kódu nalézt nedá - píše to "nenalezeno" - jedině se zeptat přímo v servise.
V létě jsem ty žhaviče u toho přídavného el. topení taky přeměřoval a je tam fakt šílený přístup. Naštěstí je mám ok, ale v Microcatu mají svoje číslo, takže určitě vyměnit jdou. Ovšem je fakt, že na Originálních dílech se cena podle finis kódu nalézt nedá - píše to "nenalezeno" - jedině se zeptat přímo v servise.
Ford Focus Combi 1.8 TDCi 85kW/ 2002 Moondust Silver
- Ahmed
- Test driver

- Příspěvky: 3751
- Registrován: 02.02.2008 03:18
- Bydliště: Ostrava
Re: Teplota u 1,8TDdi
Já jsem na fofo I taky kdysi měnil termostat a jsou asi 4 druhy. Origo na tddi mi tam nějak nechtěl pasovat, tak mi tam dali z benzíňáka a ten tam seděl. Je možné, že některé z nich tu dírku či co nemají.
- pelen
- Test driver

- Příspěvky: 9259
- Registrován: 02.02.2008 03:18
- Bydliště: Nový Jičín
- Kontaktovat uživatele:
Re: Teplota u 1,8TDdi
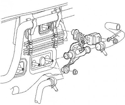
Ahmede, TIS bylo 1., kde jsem hledal, ale marne i ted jsem se k te informacií nedostal. Jsou tam sice 3 kontakty, ale dva jsou propojeny propojkou, na ne jde jeden kablik a na ten treti jde druhy kablik. Pokud by to mely byt zhavici svicky, pak by musel byt hlinikovy valecek propojen na kostru. Az bude tepleji, tak se na to jeste jednou mrknu. Za mrazu se mi nechce.
- KTM
- Junior

- Příspěvky: 228
- Registrován: 24.12.2008 16:31
- Bydliště: Nový Jičín
Re: Teplota u 1,8TDdi
Jakpak jsi daleko Peléne s pátraním ??
Martin,Ford Focus kombi 1.8 TDDI, 115PS, 4/2000, WOLF
- Ahmed
- Test driver

- Příspěvky: 3751
- Registrován: 02.02.2008 03:18
- Bydliště: Ostrava
Re: Teplota u 1,8TDdi
Tak jinak, vyhledat to nejde. Druhá ikona zleva - worshop manuals, vybrat focus, najít položku 412 - 02B auxiliary heating, a když dáš DESCRIPTION AND OPERATION, tak si vybereš z toho naftového a elektrického, to ostatně už víš...
Jak jsi říkal, že dvě mají jeden kabel a třetí druhý kabel, tak podle mě to je ok. Má to 3 stupně vyhřívání, když nepočítám "0". Takže buď jede jedna svíčka nebo dvě nebo všechny najednou, takže to odpovídá...
Mimochodem k tomu, jak tady někdo psal, že se dají ty svíčky vyměnit nebo že jsou v katalogu:
CAUTION:
The glow plugs may not be renewed. The screw connection is only sealed once. The entire booster heater must be renewed.
Samozřejmě by si s tím české ručičky mohly nějak pomoct, ale má se to prostě měnit celé.
Ta žhavící svíčka v microcatu je, ale stojí nějakých 700,- a celý ohřívač cca 3000,- Takže myslím, že bude lepší to koupit celé, než vyhodit dva litry za svíčky a ještě se s tím trápit. Jelikož to je ale pro modely od 98 do 05, tak je možné že se ten typ bude lišit, protože u jedné svíčky je napsané 0,00 a u druhé na TDCI je napsaná cena. A těch ohřívačů je podle toho katalogu taky více, ale nevím čím by se měly lišit...
Jak jsi říkal, že dvě mají jeden kabel a třetí druhý kabel, tak podle mě to je ok. Má to 3 stupně vyhřívání, když nepočítám "0". Takže buď jede jedna svíčka nebo dvě nebo všechny najednou, takže to odpovídá...
Mimochodem k tomu, jak tady někdo psal, že se dají ty svíčky vyměnit nebo že jsou v katalogu:
CAUTION:
The glow plugs may not be renewed. The screw connection is only sealed once. The entire booster heater must be renewed.
Samozřejmě by si s tím české ručičky mohly nějak pomoct, ale má se to prostě měnit celé.
Ta žhavící svíčka v microcatu je, ale stojí nějakých 700,- a celý ohřívač cca 3000,- Takže myslím, že bude lepší to koupit celé, než vyhodit dva litry za svíčky a ještě se s tím trápit. Jelikož to je ale pro modely od 98 do 05, tak je možné že se ten typ bude lišit, protože u jedné svíčky je napsané 0,00 a u druhé na TDCI je napsaná cena. A těch ohřívačů je podle toho katalogu taky více, ale nevím čím by se měly lišit...
- KTM
- Junior

- Příspěvky: 228
- Registrován: 24.12.2008 16:31
- Bydliště: Nový Jičín
Re: Teplota u 1,8TDdi
Omlouvám se,ale jsem se ještě nedopídil k čemu to přesně slouží (co to dělá)? Přihřívá to vodu v motoru nebo v topení ? Popsat to srozumitelně-třeba jako láikovi. Čím se to spíná a ovladá ? Dík " ZIMA JAK CIP "

Martin,Ford Focus kombi 1.8 TDDI, 115PS, 4/2000, WOLF
- Ahmed
- Test driver

- Příspěvky: 3751
- Registrován: 02.02.2008 03:18
- Bydliště: Ostrava
Re: Teplota u 1,8TDdi
Psal jsem ti to nahoře v tom anglickém textu, tak si to přelož, ne?
Ohřívá to chladící kapalinu, takže by to mělo rychleji topit a zahřát motor. Zapne to po nastartování motoru, když to dostane signál od alternátoru a venkovní teplota je pod 5°C a teplota hlavy je pod 71°C nebo klesne pod tuto teplotu, takže to zapíná i během jízdy a udržuje to provozní teplotu... Byly tam i nějaké podmínky, že alternátor musí mít dostatečnou rezervu, aby se to zaplo a ještě tam jsou 3 stupně výkonu, ale jak to má fungovat a regulovat, to tam napsané není a nepídil jsem se po tom. Ja psal pelen jedna svíčka má jeden kabel a pak jsou dvě svíčky propojené mezi sebou, takže buď hřeje jedna, dvě nebo tři, ale co to řídí netuším. Je jasné, že když kapalina bude mít 69°C, tak asi bude hřát jenom jedna, atd. Nevím, jak rychle to hřeje, ale kdysi jsem se ptal někoho, kdo to měl na TDCI a říkal, že do pár minut to topí. Já jsem měl ten naftový ohřívač a ten měl 2,2 - 5kW, takže to během kilometru bylo na provozní teplotě
Ten elektroohřev asi bude obdobný, té vody zase tolik není, aby to trvalo nějak šíleně dlouho.
- pelen
- Test driver

- Příspěvky: 9259
- Registrován: 02.02.2008 03:18
- Bydliště: Nový Jičín
- Kontaktovat uživatele:
Re: Teplota u 1,8TDdi
Ahmede, diky, nasel jsem to.
Napajeni svicek vyzkousim o vikendu, to musi fungovat, i kdyby svicky byly K.O.
Minusovy kablik je ten, ktery je pod hlavou horniho sroubu pro upevneni konzoly ohrivace ke karoserii.
Svicky jsou zasroubovany do hlinikoveho telesa a zavit tvori elektricky kontakt. Protoze jednou svickou tece proud neco malo pod 10 A (30A pojistka pro 3 svicky), musi byt sroubovy kontakt dokonaly - pravdepodobne se jedna o "zariznute" zasroubovani, prakticky nerozebiratelne.
Dnes rano jsem pri jizde do prace pozoroval ohrev chladici kapaliny (zadna divocina, cca 1500-2000ot/min). Teplota okoli i FoFa -10°C.
po 5km rafika u prvni carky
po 7km 3mm nad prvni carkou
po 8km 5mm nad prvni carkou
po 10km kolmo nahoru
Napajeni svicek vyzkousim o vikendu, to musi fungovat, i kdyby svicky byly K.O.
Minusovy kablik je ten, ktery je pod hlavou horniho sroubu pro upevneni konzoly ohrivace ke karoserii.
Svicky jsou zasroubovany do hlinikoveho telesa a zavit tvori elektricky kontakt. Protoze jednou svickou tece proud neco malo pod 10 A (30A pojistka pro 3 svicky), musi byt sroubovy kontakt dokonaly - pravdepodobne se jedna o "zariznute" zasroubovani, prakticky nerozebiratelne.
Dnes rano jsem pri jizde do prace pozoroval ohrev chladici kapaliny (zadna divocina, cca 1500-2000ot/min). Teplota okoli i FoFa -10°C.
po 5km rafika u prvni carky
po 7km 3mm nad prvni carkou
po 8km 5mm nad prvni carkou
po 10km kolmo nahoru
- jamaka
- Test driver

- Příspěvky: 2509
- Registrován: 02.02.2008 03:18
- Bydliště: Slovakia
Re: Teplota u 1,8TDdi
no je to pravda, uz sa nedaju objednat (teda priamo cez Ford) dokonca do 12-2-2004 boli 3ks a od 12-2-2004 do 9-5-2005 len 2ks. Raz mi niekto volal a ked som zistoval na vybratom prihreve, tak su tam sviecky Beru, ale cislo si uz nepametam. Su oznacene normalne ako zhaviace sviecky. Ak nezabudnem, tak jednu vyberiem a pozriem to cislo.
3D 1,8TDCi SPORT 85kW(116PS) 2003
3D 2,0 ST170 127kW(173PS) 2002
3D 2,0 ST170 127kW(173PS) 2002
- KTM
- Junior

- Příspěvky: 228
- Registrován: 24.12.2008 16:31
- Bydliště: Nový Jičín
Re: Teplota u 1,8TDdi
Díky Ahmede a Peléne. Jde vidět ,že jste pro danou věc zapáleni. Ještě pak zjistím jestli mi to vůbec funguje,když se auto ani neohřeje. Dnes jsem si konečně koupil nový originální termostat (bez dirky + těsnění ). Snad mi to o víkendu vyjde-to vyměnit. Peléne,to se mi nechce věřit, že se ti auto při -10°C ohřeje na provozní teplotu po 10 km ?????? OTÁZKA : z kolika % máte zadělaný chladič v zimě a čím ???????
Martin,Ford Focus kombi 1.8 TDDI, 115PS, 4/2000, WOLF
- pelen
- Test driver

- Příspěvky: 9259
- Registrován: 02.02.2008 03:18
- Bydliště: Nový Jičín
- Kontaktovat uživatele:
Re: Teplota u 1,8TDdi
Dnes bylo tepleji, tusim -8°C a rafika byla nahore po 8 km. Chladic zepredu nemam nicim zastinen.
- Jozkablack
- Test driver

- Příspěvky: 2851
- Registrován: 02.02.2008 03:18
- Bydliště: Praha 6
- Kontaktovat uživatele:
Re: Teplota u 1,8TDdi
Už jsem to tady popisoval v jinym vlákně, ale dneska jsem si to znova vyzkoušel. Domov od práce mám vzdálen 11km. Dneska ráno tady bylo - 8°C a motor se zahřál (ručička kolmo vzhůru) po 6km. Abych to uvedl na pravou míru, tak mám po cestě pár semaforů, ale provoz byl klidnej, takže žádný prostoje. Jinak Escort 1.8TD se mi dokáže ohřát ještě o polovičku rychlej, Cordie taky. Tddi jsou v tomhle trochu pomalejší.
Ford Focus combi, 1.8TDDI, 66KW, 03, červená sériovka kromě alu kol a folií 35%-15%-5%
Renault Megane 1.6 benál, 5dv, 1996
Nálevna U Velasů: https://www.restauraceuvelasu.freepage.cz/onas/
Renault Megane 1.6 benál, 5dv, 1996
Nálevna U Velasů: https://www.restauraceuvelasu.freepage.cz/onas/
- Ahmed
- Test driver

- Příspěvky: 3751
- Registrován: 02.02.2008 03:18
- Bydliště: Ostrava
Re: Teplota u 1,8TDdi
Město bych pro měření ohřevu moc nepočítal, protože stačí 2x šlápnout více na plyn a turbo s teplotou udělá svoje.
Svůj motor bych tady moc plantat neměl, ale...: na dálnici to mám 7,5km, z toho 1km je kličkování po Bílovci a pak ten kopec nahoru, potom 90-100km/h k Bravanticím a 60-70 k dálnici. Někde před Bravanticema se mi ručička teploty odlepí a míří k 60°C. Když najedu na dálnici tak to na 3ku vytočím na 3,5 - 4tis. a rozjedu na 110km/h. Někde před tunelem mám ručičku u 70-75°C a po vyjetí mírného kopečku za tunelem kolem sjezdu na Klimkovice to ohřeju na 90°C. Kdybych to při tom najetí na dálnici nerozjel nebo nejel více jak 90km/h, tak bych dojel do Ostravy bez problému s tím, že bych nedosáhl ani 75°C, už jsem tak několikrát zajel o víkendu, když nespěchám a není provoz.
Takže pokud to budeš šolichat do 1800ot. a nebudeš nikde dávat plný plyn a tlačit turbem, tak to TDDI klidně budeš ohřívat i 25km a více.
Taky jsem vždycky na podzim a v zimě prosil, aby už bylo pod 4°C a zapl naftový ohřívač
Žel bohu druhý rok už nějak špatně fungoval a měl slabý výkon, takže efekt nula, zachraňovaly mě vyhřívané sedačky.
A teď nemám ani jedno
Kdybych měl vyřešené bydlení a měl tu možnost parkovat u RD, tak bych šel do ohřívače bloku motoru nebo něčeho podobného, za nezávislé 40k nevyhodím, to můžu to auto rovnou prodat a koupit jiné 
Svůj motor bych tady moc plantat neměl, ale...: na dálnici to mám 7,5km, z toho 1km je kličkování po Bílovci a pak ten kopec nahoru, potom 90-100km/h k Bravanticím a 60-70 k dálnici. Někde před Bravanticema se mi ručička teploty odlepí a míří k 60°C. Když najedu na dálnici tak to na 3ku vytočím na 3,5 - 4tis. a rozjedu na 110km/h. Někde před tunelem mám ručičku u 70-75°C a po vyjetí mírného kopečku za tunelem kolem sjezdu na Klimkovice to ohřeju na 90°C. Kdybych to při tom najetí na dálnici nerozjel nebo nejel více jak 90km/h, tak bych dojel do Ostravy bez problému s tím, že bych nedosáhl ani 75°C, už jsem tak několikrát zajel o víkendu, když nespěchám a není provoz.
Takže pokud to budeš šolichat do 1800ot. a nebudeš nikde dávat plný plyn a tlačit turbem, tak to TDDI klidně budeš ohřívat i 25km a více.
Taky jsem vždycky na podzim a v zimě prosil, aby už bylo pod 4°C a zapl naftový ohřívač
A teď nemám ani jedno
- Jozkablack
- Test driver

- Příspěvky: 2851
- Registrován: 02.02.2008 03:18
- Bydliště: Praha 6
- Kontaktovat uživatele:
Re: Teplota u 1,8TDdi
Raspenava - Frýdlant cca 8km. Teplota okolo -10°C a motor se zahřál s ručičkou kolmo nahoru. A tam semafor neni ani jeden. Je to po okreskách. Ale i tak se zahřívá dlouho a proto jsem teď přendal dětskou sedačku do Escorta. Ten je zahřátej takřka hned a při popjíždkách okolo komínu je to lepší.
Ford Focus combi, 1.8TDDI, 66KW, 03, červená sériovka kromě alu kol a folií 35%-15%-5%
Renault Megane 1.6 benál, 5dv, 1996
Nálevna U Velasů: https://www.restauraceuvelasu.freepage.cz/onas/
Renault Megane 1.6 benál, 5dv, 1996
Nálevna U Velasů: https://www.restauraceuvelasu.freepage.cz/onas/
Kdo je online
Uživatelé prohlížející si toto fórum: Žádní registrovaní uživatelé a 3 hosti





