Navod - fiesta mk7 facelift - interierovy (objemovy) alarm
Napsal: 31.07.2022 08:36
Predpoklad: v aute je jiz obvodovy alarm (viewtopic.php?f=283&t=46862)
Dily:
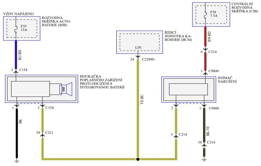
stropni lampicka s ultrazvukem AV11-15K609-AF (fiesta mk7 poFL, Bmax, Ecosport ... pozor: na pohled vypada jako pro FF2 nebo mondeo mk4, ale elektronika je jina) Schema: Postup:
1. vyndame stavajici lampicku a sundame oblozeni Asloupku ridice (konektor C214)
2. pokud neni priprava, natahneme draty:
- kostra je spolecna se stropnim osvetleni
- napajeni je z interierove pojistkovnice z pozice F34, F35, F36 a F38 (protikus F38 jsem nemel, tak jsem pouzil nevyuzity F36)
- sbernice je z konektrou G na BCM (download/file.php?id=163742&mode=view)
3. diagnostikou povolime interierovy sken (netusim, ktere BCM toto podporuji - vim, ze verze Gx ano)
-----------------------
bateriovou sirenu zde neresim
Dily:
stropni lampicka s ultrazvukem AV11-15K609-AF (fiesta mk7 poFL, Bmax, Ecosport ... pozor: na pohled vypada jako pro FF2 nebo mondeo mk4, ale elektronika je jina) Schema: Postup:
1. vyndame stavajici lampicku a sundame oblozeni Asloupku ridice (konektor C214)
2. pokud neni priprava, natahneme draty:
- kostra je spolecna se stropnim osvetleni
- napajeni je z interierove pojistkovnice z pozice F34, F35, F36 a F38 (protikus F38 jsem nemel, tak jsem pouzil nevyuzity F36)
- sbernice je z konektrou G na BCM (download/file.php?id=163742&mode=view)
3. diagnostikou povolime interierovy sken (netusim, ktere BCM toto podporuji - vim, ze verze Gx ano)
-----------------------
bateriovou sirenu zde neresim