Jen je třeba "75" od klíčku a někde vyštrachat ten kabel od spínače tlaku oleje na motoru...
Světla pro denní svícení info na 1. strane
- Nepér
- Zkušený

- Příspěvky: 1500
- Registrován: 09.12.2009 08:35
- Bydliště: Praha 8
Re: Světla pro denní svícení info na 1. strane
Tak ještě "jednodušší" zapojení a funguje to přesně, dle mých představ 
Jen je třeba "75" od klíčku a někde vyštrachat ten kabel od spínače tlaku oleje na motoru...
Jen je třeba "75" od klíčku a někde vyštrachat ten kabel od spínače tlaku oleje na motoru...
Mondeo mk4, 2.0i, 2010
- FLA
- Zkušený

- Příspěvky: 1404
- Registrován: 02.02.2008 03:18
- Bydliště: Slovensko
Re: Světla pro denní svícení info na 1. strane
Na ruskom fore som sa docital ze pre Focus MK2 12+ brali odtialto konektor C90, vie to niekto identifikovat co je to presne za kabel?


predtým:
C-Max 1.6 85kW TDCi Titanium X
Focus Combi Ghia 2007 1.6L Duratec-16V Ti-VCT
Focus Combi Trend '99 1.8TDdi
- FLA
- Zkušený

- Příspěvky: 1404
- Registrován: 02.02.2008 03:18
- Bydliště: Slovensko
Re: Světla pro denní svícení info na 1. strane
Takze original obrazok pochadza z manualu pre montaz DRLHELLA 2PT 010 177-811 HELLA, tak predpokladam ze sudruhovia z NDR to maju premyslene preco prave tam a nie cez F32
http://www.autoteilemann.de/media/conte ... 895-15.PDF
http://www.autoteilemann.de/media/conte ... 895-15.PDF
predtým:
C-Max 1.6 85kW TDCi Titanium X
Focus Combi Ghia 2007 1.6L Duratec-16V Ti-VCT
Focus Combi Trend '99 1.8TDdi
- Nepér
- Zkušený

- Příspěvky: 1500
- Registrován: 09.12.2009 08:35
- Bydliště: Praha 8
Re: Světla pro denní svícení info na 1. strane
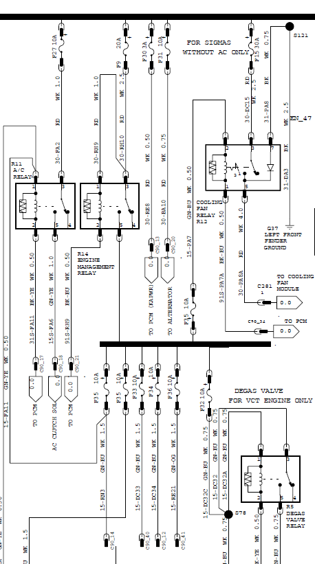
To je F36, totéž, co F32, 33, 34 nebo 35. Třeba já to teď mám na F33. Jinak jsem koukal no to čidlo tlaku oleje... no popravdě nechce se mi zasahovat do svazku motoru a tak to buď nechám, jak to mám, či jak to doporučuje Hella, nebo najdu ten kabel, co vede do pojistkovky od spínačky někudy spodem, mimo tadyten konektor.
Tady jsou ty pojistky ve schématu.
Mondeo mk4, 2.0i, 2010
-
FocusJR
- Nováček

- Příspěvky: 41
- Registrován: 01.07.2015 22:53
Re: Světla pro denní svícení info na 1. strane
Chci si zprovoznit originální denní svícení jak popisuje ZaQik, ale jak píší zde:
konkurence.php?p=590049
odporuje to naší vyhlášce, takže bude potřeba udělat tu úpravu s přidavným relé.
Víte kde sehnat to R15, kvalitní ale neorigo, protže Ford za to chce prej nesmysl....
Ten rezistor mezi pinem 1 a 26, vypadá podle tohohle fóra: http://www.fordownersclub.com/forums/to ... 25-c-max/# a popisu ve schématu jen jako kus lanka 0.75 mm2 v nějaké ochrané bužírce.
Máte to někdo, je to tak? Jak dlouhé je to lanko?
Díky za info.
konkurence.php?p=590049
odporuje to naší vyhlášce, takže bude potřeba udělat tu úpravu s přidavným relé.
Víte kde sehnat to R15, kvalitní ale neorigo, protže Ford za to chce prej nesmysl....
Ten rezistor mezi pinem 1 a 26, vypadá podle tohohle fóra: http://www.fordownersclub.com/forums/to ... 25-c-max/# a popisu ve schématu jen jako kus lanka 0.75 mm2 v nějaké ochrané bužírce.
Máte to někdo, je to tak? Jak dlouhé je to lanko?
Díky za info.
Ford Focus II Titanium 2.0 TDCi 12/2006
- Nepér
- Zkušený

- Příspěvky: 1500
- Registrován: 09.12.2009 08:35
- Bydliště: Praha 8
Re: Světla pro denní svícení info na 1. strane
Takže spínané napětí, přímo od klíčku, tam je. Nechápu, že mě to nenapadlo dřív.
Relé R3, kontakt 1.
Relé R3, kontakt 1.
Mondeo mk4, 2.0i, 2010
- Nepér
- Zkušený

- Příspěvky: 1500
- Registrován: 09.12.2009 08:35
- Bydliště: Praha 8
-
P.C.
- Nováček

- Příspěvky: 21
- Registrován: 07.09.2011 13:15
Re: Světla pro denní svícení info na 1. strane
Po zapojení DRL vyndaváte vepředu žárovky parkovacích světel? Co jsem tak pozoroval, tak za provozu nikomu nesvítěj, tak buď jsem to blbě zapojil nebo je maj všichni venku... 
- FLA
- Zkušený

- Příspěvky: 1404
- Registrován: 02.02.2008 03:18
- Bydliště: Slovensko
- vitr73
- Test driver

- Příspěvky: 3916
- Registrován: 25.02.2011 20:33
- Bydliště: Železný Brod
- Kontaktovat uživatele:
Re: Světla pro denní svícení info na 1. strane
tak tak...DRL podle nasich predpisu nesmi svitit pokud svitej hlavni svetla tzn parkovacky a hlavni....pokud to nekomu sviti DRL i s parkovackama tak si koleduje ze si ho nekde cetnici podaj a seberou technicak + pokuta bude o hodne vissi nez byla cena tech DRL
...samo pokud nema vyrobce auta pouzite DRL jako parkovacky...
Ford Focus kombi 1.8 16V zmetec -E léta páně 1999
Byl Peugeot 309 1.4 zvaný Rozbuch-budiz mu vrakoviste lehke
Byl Daihatsu Applause 1.6 16V...zlaty auto.totalni nehoda na 483tis km
Byla Mazda 323 1.6 turbo rok 1990...prodan pro poruchu turba...
Byl Peugeot 309 1.4 zvaný Rozbuch-budiz mu vrakoviste lehke
Byl Daihatsu Applause 1.6 16V...zlaty auto.totalni nehoda na 483tis km
Byla Mazda 323 1.6 turbo rok 1990...prodan pro poruchu turba...
- Nonid
- Test driver

- Příspěvky: 5275
- Registrován: 05.12.2012 21:07
- Bydliště: Práááha - Vyšehrad!
Viz spousta koncernovejch aut bez mlhovek 
Ford Focus ST170, 2002, 5dv, Panther Black, 2016-
Bylo:
Peugeot 205 1.4, bažiňák
Ford Focus 1.6 16V, hatchback, aquamarine blue
Ford Focus 1.8 16V, 2003, 5dv, Černá Panther, 2013-2017
Bylo:
Peugeot 205 1.4, bažiňák
Ford Focus 1.6 16V, hatchback, aquamarine blue
Ford Focus 1.8 16V, 2003, 5dv, Černá Panther, 2013-2017
- vitr73
- Test driver

- Příspěvky: 3916
- Registrován: 25.02.2011 20:33
- Bydliště: Železný Brod
- Kontaktovat uživatele:
Re: Světla pro denní svícení info na 1. strane
jj..ale jak rikam..musi to byt primo od vyrobce homologovano...jinak pridelavany DRL svitit s hlavnima svetlama nesmi
Ford Focus kombi 1.8 16V zmetec -E léta páně 1999
Byl Peugeot 309 1.4 zvaný Rozbuch-budiz mu vrakoviste lehke
Byl Daihatsu Applause 1.6 16V...zlaty auto.totalni nehoda na 483tis km
Byla Mazda 323 1.6 turbo rok 1990...prodan pro poruchu turba...
Byl Peugeot 309 1.4 zvaný Rozbuch-budiz mu vrakoviste lehke
Byl Daihatsu Applause 1.6 16V...zlaty auto.totalni nehoda na 483tis km
Byla Mazda 323 1.6 turbo rok 1990...prodan pro poruchu turba...
- ZaQik
- Admin

- Příspěvky: 25015
- Registrován: 30.05.2010 17:33
- Bydliště: exit 82 na D0
Re: Světla pro denní svícení info na 1. strane
staci kratky drat, kterym to jen propojis ... original je drat dlouhy cca 5 m (nekde jsem daval fotku)FocusJR píše:Ten rezistor mezi pinem 1 a 26, vypadá podle tohohle fóra: http://www.fordownersclub.com/forums/to ... 25-c-max/# a popisu ve schématu jen jako kus lanka 0.75 mm2 v nějaké ochrané bužírce.
Ford Focus mk3 combi 1.6 Ti-VCT, r.v.2018 + Ford Fiesta mk7 3D 1.25, r.v.2014
byl Ford Focus mk2 combi 1.6, r.v.2009 + Ford Fiesta mk6 1.4 TDCi r.v. 2004
Nejsem poradna, encyklopedie ani hotline spolecnosti Ford - ptejte se na foru, od toho je.
byl Ford Focus mk2 combi 1.6, r.v.2009 + Ford Fiesta mk6 1.4 TDCi r.v. 2004
Nejsem poradna, encyklopedie ani hotline spolecnosti Ford - ptejte se na foru, od toho je.
- ScorpionSX
- Zkušený

- Příspěvky: 1838
- Registrován: 29.01.2011 18:05
- Bydliště: Trenčín, SR
Re: Světla pro denní svícení info na 1. strane
Nedá sa tu vyhladávať priamo v téme a klasické vyhladávanie mi nič moc nenašlo, tak sa opýtam - je možné používať origo Ford denné svietenie bez legislatívnych problémov aj na Slovensku? Mám teraz na mysli to, kedy svietia len predné stretávacie svetlá na 85% a zbytok auta je zhasnutý.
Ďakujem za info a ešte raz sorry ak sa to tu už riešilo...
Ďakujem za info a ešte raz sorry ak sa to tu už riešilo...
Kdo je online
Uživatelé prohlížející si toto fórum: Žádní registrovaní uživatelé a 1 host

