Opakované praskání pojistky stěračů, ostřikovaců
-
michaltlusty
- Příspěvky: 1
- Registrován: 10.11.2020 13:28
Opakované praskání pojistky stěračů, ostřikovaců
Zdravím všechny,
Vlastním Focuse 1 1.6 vyrobeného roku 2002. Od doby začátku podzimu, kdy padají venkovní teploty, mám problém se stěrači a ostřikováním na autě.
Popis: Při zapnutí stěračů umřou stěrače v polovině pohybu a praskne 20A pojistka. Poté nereaguje ani zadní stěrač, ani přední stěrače, ani ostřik. Pokud pojistku vyměním za novou, po zapnutí stěrače opět stěrače vykonají asi 30 % pohybu a zase praskne. 25A taky praskne.
Vyzkoušená řešení: Mechanikem mi bylo doporučeno rozebrat ramena a promazat spoje WD-40. To jsem udělal a vše bylo nějakou dobu ok, ovšem nyní opět pojistka praská a už ani promazání nepomůže.
Dotaz: Co s tím? Může být problém tím, že tam nemám originální stěrače a jsou moc těžké? https://www.odkarla.cz/sterace-bosch-ae ... gL7NvD_BwE
Může odcházet motorek a pomohl by tomu jiný z vrakáče?
Jsem amatér, co se týče aut, prosím o trpělivost.
Předem moc děkuji za pomoc.
Vlastním Focuse 1 1.6 vyrobeného roku 2002. Od doby začátku podzimu, kdy padají venkovní teploty, mám problém se stěrači a ostřikováním na autě.
Popis: Při zapnutí stěračů umřou stěrače v polovině pohybu a praskne 20A pojistka. Poté nereaguje ani zadní stěrač, ani přední stěrače, ani ostřik. Pokud pojistku vyměním za novou, po zapnutí stěrače opět stěrače vykonají asi 30 % pohybu a zase praskne. 25A taky praskne.
Vyzkoušená řešení: Mechanikem mi bylo doporučeno rozebrat ramena a promazat spoje WD-40. To jsem udělal a vše bylo nějakou dobu ok, ovšem nyní opět pojistka praská a už ani promazání nepomůže.
Dotaz: Co s tím? Může být problém tím, že tam nemám originální stěrače a jsou moc těžké? https://www.odkarla.cz/sterace-bosch-ae ... gL7NvD_BwE
Může odcházet motorek a pomohl by tomu jiný z vrakáče?
Jsem amatér, co se týče aut, prosím o trpělivost.
Předem moc děkuji za pomoc.
-
Zvíře
- Junior

- Příspěvky: 208
- Registrován: 12.05.2017 23:10
Re: Opakované praskání pojistky stěračů, ostřikovaců
Problém je v tom, ze je to zatuhnuty a taky v tom WD40. To spíš než maže, tak vypláchne špínu a zbytky oleje a pak vyschne. Takže na to použij vhodnější sprej. Ideální by bylo to úplně rozebrat a vyčistit, ale olej ve spreji to taky zachrání.
Mondeo mk4 turnier 2.0 duratec LPG
- Jemar
- Zkušený

- Příspěvky: 1703
- Registrován: 02.02.2008 03:18
- Bydliště: čáslavsko
Re: Opakované praskání pojistky stěračů, ostřikovaců
Také jsem měl problém s praskáním pojistky, vyřešil jsem opravou pohyblivých kontaktů - konkurence ... 37#p512837
-
Kamilfuc
- Příspěvky: 1
- Registrován: 13.06.2020 02:39
Re: Opakované praskání pojistky stěračů, ostřikovaců
Ten samý problém. Špatný relé.
-
Piky
- Nováček

- Příspěvky: 6
- Registrován: 25.01.2024 21:34
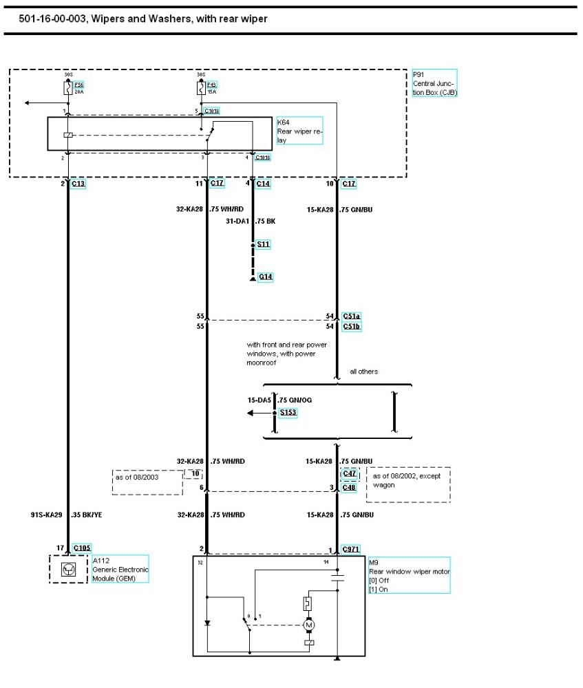
zadní stěrač bouchá pojistky
čau, mám kombi r.v. 2002 a stále mi praská pojistka zadního stěrače. Když je odpojen zeleno-modrý drát (nejsu si jistý, jestli si barvu správně pamatuji) a připojen je pouze červeno-bílý drát, pojistka nepraská. Nicméně stěrač se pak pohybuje po kousíčkách, přibližně každých 5 sekund.
Co se týče toho, jak vím, který drát co dělá... opravoval jsem kabelový svazek, protože v husím krku bylo několik kabelů přerušených (světlo na SPZ nefungovalo, tak jsem musel připájet černo-oranžový drát a když už jsem byl u toho, spojil jsem i zbytek přerušených kabelů). Díky tomu jsem si všiml, že když nechám zeleno-modrý drát nepřipojený, pojistka přežije.
Co bych měl dělat? kde by tak mohl být problém
díky
Co se týče toho, jak vím, který drát co dělá... opravoval jsem kabelový svazek, protože v husím krku bylo několik kabelů přerušených (světlo na SPZ nefungovalo, tak jsem musel připájet černo-oranžový drát a když už jsem byl u toho, spojil jsem i zbytek přerušených kabelů). Díky tomu jsem si všiml, že když nechám zeleno-modrý drát nepřipojený, pojistka přežije.
Co bych měl dělat? kde by tak mohl být problém
díky
- phromcik
- Nováček

- Příspěvky: 14
- Registrován: 03.05.2009 15:06
Re: zadní stěrač bouchá pojistky
Zeleno-modry drat je stale napajeni motoru sterace. Zkrat muze byt nekde v kabelazi nebo primo v motorku sterace. Nejjednodussi je dat misto pojistky malou zarovku a zmerit jestli proud ktery tece pres zarovku, tece az do motorku sterace. Pak je zkratovany motorek. Jinak je zkrat v kabelazi a je potreba najit misto kde se proud ze zarovky "ztrati" do zeme.
Ford Focus Combi 1.6 Ghia 2002
-
Piky
- Nováček

- Příspěvky: 6
- Registrován: 25.01.2024 21:34
Re: zadní stěrač bouchá pojistky
jakou zarovku tedka myslis?
asi jsem uplne vedle ale nevim jak bych ji vubec do toho pichnul a taky kdyz je to pojistka na 15A, tak by se mi snad ten proud spalil zarovku napr z auta ne?
tada pokud to neni jenom nejaky pojem...a staci klasickej multimetr?
jeste zkusim vycistit sprejem na kontakty ten konektor tesne pred motorkem, vsiml jsem si ze je tam nejak mastno, tak jestli nejaka vazelina to tam nezkratuje...(predchozi expert asi chtel zastavit to zasekavani sterace tak, ze ten motor cely rozebral a vsude kam mohl, narval vazelinu, i na ty 3 zlaty kola. po kterych ty kontakty v motoru jezdi....)
jeste zkusim vycistit sprejem na kontakty ten konektor tesne pred motorkem, vsiml jsem si ze je tam nejak mastno, tak jestli nejaka vazelina to tam nezkratuje...(predchozi expert asi chtel zastavit to zasekavani sterace tak, ze ten motor cely rozebral a vsude kam mohl, narval vazelinu, i na ty 3 zlaty kola. po kterych ty kontakty v motoru jezdi....)
- phromcik
- Nováček

- Příspěvky: 14
- Registrován: 03.05.2009 15:06
Re: Opakované praskání pojistky stěračů, ostřikovaců
Zarovka misto pojistky omezi proud pri zkratu. Urcite pres ni nepotece 15A ale maximalne proud na ktery je vyrobena. Maly proud ktery pres zarovku tece nezpusobi v miste zkratu zadne skody a budes mit cas najit ampermetrem kam prod tece. Idealni na to je klestovy ampermetr ale na zjisteni jestli je zkrat v motorku nebo v privodnim vedeni staci i obycejny multimetr.
Pouzit muzes jakoukoli malou 12V zarovku s prikonem cca 1W nebo mene.
Pouzit muzes jakoukoli malou 12V zarovku s prikonem cca 1W nebo mene.
Ford Focus Combi 1.6 Ghia 2002
Kdo je online
Uživatelé prohlížející si toto fórum: Žádní registrovaní uživatelé a 2 hosti

