automatické rozsvícení světel
-
boj3
- Nováček

- Příspěvky: 2
- Registrován: 09.06.2009 21:06
Re: automatické rozsicení světel
Omlouvám se axet-ovi, koukám, že to tam má napsaný. sry...
- pkadecka
- Test driver

- Příspěvky: 4764
- Registrován: 18.08.2009 12:39
- Bydliště: Kostelec nad Labem
Re: automatické rozsicení světel
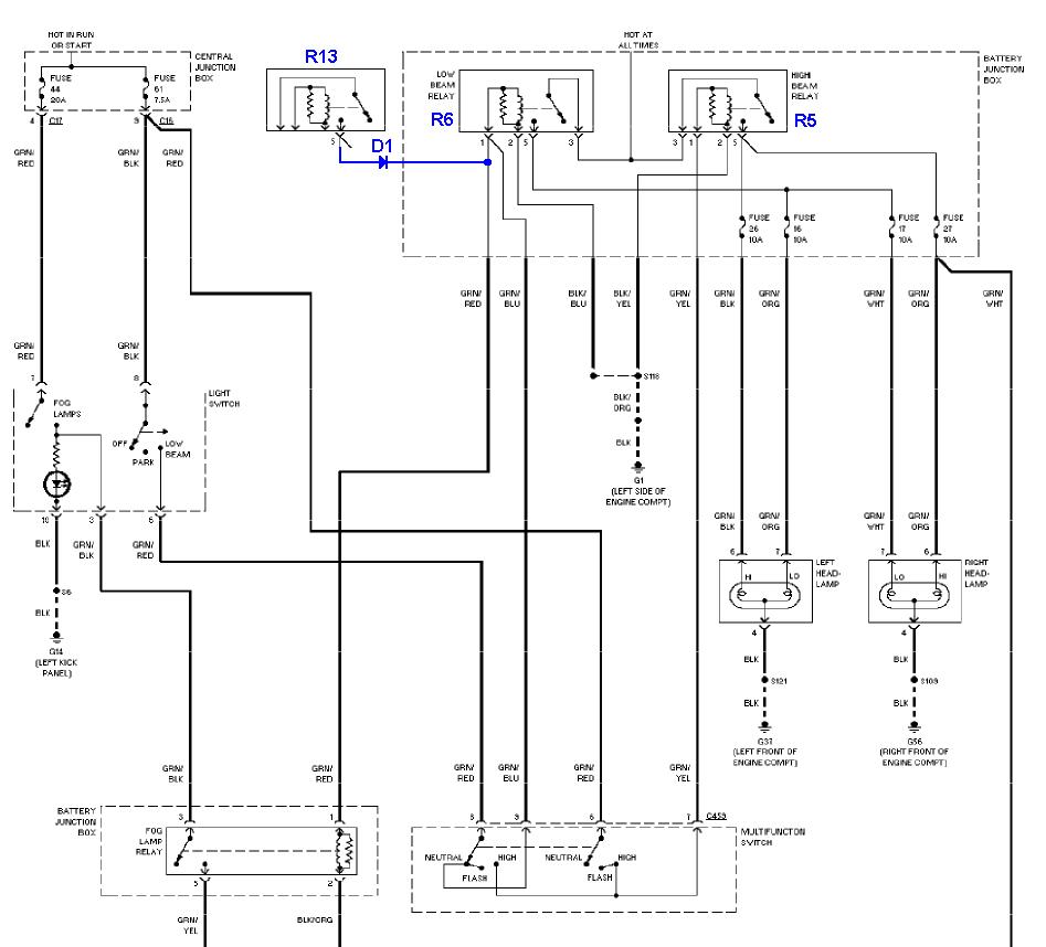
Tady je můj návod na automatické rozsvěcení světel, výhoda je v tom, že svítí jen když běží motor. Je potřeba jen pár úprav v pojistkové skříňce u motoru. Přiložené obrázky jsou upravená schémata pro focus před faceliftem, tj. s žárovkami H4, ale zapojení funguje i pro focus po faceliftu (jako je můj).
Moje auto nemá vůbec žádnou přípravu kolem relé R12 (relé pro denní svícení), do patice nevedou dráty a nejsou tam ani kontakty pro relé, tak jsem to musel vyřešit jinak. Když jsem to měl hotový, tak jsem zjistil, že by to šlo i jednodušejc.
Relé R13 sepne, když běží motor, tak jsem z jeho pinu č. 5 připojil drát přes diodu na cívku dalšího relé - na obrázku jsem ho označil R100. Je to běžné autorelé, piny mají vlastně jiné číslování, ale to je jedno. Druhý pól cívky jsem připojil na pin 5 relé pro dálková světla R5 - u focusu před faceliftem to zajistí přepínání mezi dálkovými a potkávacími světly, tj. aby nesvítily obě vlákna žárovky H4. Pokud máte auto po faceliftu (kde při rozsvícených dálkových svítí obě žárovky, tj. potkávací H7 i dálková H1), připojte druhý pól místo na R5 rovnou na GND, tj. např. na pin 2 relé R6 (naznačeno červeným kroužkem). Pak vlastně můžete vynechat i diodu D1 (tj. zapojit jen drát, ne abyste vynechali celý spoj).
Piny 3 a 5, tj. kontakt relé R100 jsem zapojil paralelně k odpovídajícím pinům R6, což je relé pro potkávací světla.
Pokud je ve focusu namontované denní svícení už z výroby, je v autě i odpor přes který ty žárovky svítěj, já ale nevím jeho hodnotu, hodil by se tam tak 0,5 až 1 ohm. Žárovky by pak měly vydržet dýl (já už jsem měnil v autě tři, nejdřív shořely obě H7 skoro současně, asi tak měsíc potom, co jsem auto koupil a asi za dva měsíce pak praskla zas jedna, noname z OBI). Odpor by se přidal mezi R6 a R100, buď mezi 5-ky nebo mezi 3-ky.
Pak mě napadlo ještě jednodušší řešení a to dioda mezi pin 5 relé R13 a pin 1 relé R6. To jsem sice nezkoušel, ale ať na to koukám, jak chci, připadá mi, že to musí fungovat taky. Jen si tam pak nemůžete dát ten odpor pro šetření žárovek.
Jo a ještě k vlastní realizaci - já jsem to udělal tak, že jsem vytahal příslušná relé a doma jsem na ně připájel potřebné dráty (a diodu). Přitom jsem myslel na to, aby ty dráty moc nevadily v patici a relé tam šla zas nastrkat zpátky. Můžete to samozřejmě udělat i na straně pojistkové skříňky, ale nepřišel jsem na to, jak se jednoduše dostat k drátům, tj. vytahat ty patice pro relé.
Moje auto nemá vůbec žádnou přípravu kolem relé R12 (relé pro denní svícení), do patice nevedou dráty a nejsou tam ani kontakty pro relé, tak jsem to musel vyřešit jinak. Když jsem to měl hotový, tak jsem zjistil, že by to šlo i jednodušejc.
Relé R13 sepne, když běží motor, tak jsem z jeho pinu č. 5 připojil drát přes diodu na cívku dalšího relé - na obrázku jsem ho označil R100. Je to běžné autorelé, piny mají vlastně jiné číslování, ale to je jedno. Druhý pól cívky jsem připojil na pin 5 relé pro dálková světla R5 - u focusu před faceliftem to zajistí přepínání mezi dálkovými a potkávacími světly, tj. aby nesvítily obě vlákna žárovky H4. Pokud máte auto po faceliftu (kde při rozsvícených dálkových svítí obě žárovky, tj. potkávací H7 i dálková H1), připojte druhý pól místo na R5 rovnou na GND, tj. např. na pin 2 relé R6 (naznačeno červeným kroužkem). Pak vlastně můžete vynechat i diodu D1 (tj. zapojit jen drát, ne abyste vynechali celý spoj).
Piny 3 a 5, tj. kontakt relé R100 jsem zapojil paralelně k odpovídajícím pinům R6, což je relé pro potkávací světla.
Pokud je ve focusu namontované denní svícení už z výroby, je v autě i odpor přes který ty žárovky svítěj, já ale nevím jeho hodnotu, hodil by se tam tak 0,5 až 1 ohm. Žárovky by pak měly vydržet dýl (já už jsem měnil v autě tři, nejdřív shořely obě H7 skoro současně, asi tak měsíc potom, co jsem auto koupil a asi za dva měsíce pak praskla zas jedna, noname z OBI). Odpor by se přidal mezi R6 a R100, buď mezi 5-ky nebo mezi 3-ky.
Pak mě napadlo ještě jednodušší řešení a to dioda mezi pin 5 relé R13 a pin 1 relé R6. To jsem sice nezkoušel, ale ať na to koukám, jak chci, připadá mi, že to musí fungovat taky. Jen si tam pak nemůžete dát ten odpor pro šetření žárovek.
Jo a ještě k vlastní realizaci - já jsem to udělal tak, že jsem vytahal příslušná relé a doma jsem na ně připájel potřebné dráty (a diodu). Přitom jsem myslel na to, aby ty dráty moc nevadily v patici a relé tam šla zas nastrkat zpátky. Můžete to samozřejmě udělat i na straně pojistkové skříňky, ale nepřišel jsem na to, jak se jednoduše dostat k drátům, tj. vytahat ty patice pro relé.
Pavel Kadečka
Mazda 6, 2.0i, 2004
Citroën Xsara, 1.4i, 2004
Ford Focus Turnier, 1.6i, 2002
Mazda 6, 2.0i, 2004
Citroën Xsara, 1.4i, 2004
Ford Focus Turnier, 1.6i, 2002
-
boss22
- Příspěvky: 1
- Registrován: 21.07.2009 18:23
Re: automatické rozsicení světel
pkadecka-ten navod je perfektny,vyskušal som ten najjednoduchši a funguje perfektne.
FF-Trend combi 1.8 Tddi 66kw r.v 2004
FF-Trend combi 1.8 Tddi 66kw r.v 2004
- pkadecka
- Test driver

- Příspěvky: 4764
- Registrován: 18.08.2009 12:39
- Bydliště: Kostelec nad Labem
Re: automatické rozsvícení světel
Ještě takové offtopic doplnění - to automatické rozsvěcení nenahrazuje funkci vypínače světel, ani ji nijak neomezuje, můžete dál rozsvěcet ručně, jak jste zvyklí. Já to tak dělám. Jde o to, že když na to zapomenu a zrovna budou mít policajti naléhavou potřebu mi pomoct a ochránit mě, tak by mi taky mohli dát na památku našeho setkání pokutovej bloček. Nebo by mě moh nějakej řidič zrovna kvůli těm světlům přehlídnout a nabourat, ale to by byla sakra smůla.
Jeden známej mi k tomu napsal "já nikdy nezapomenu rozsvítit a nechtěl bych to, protože mi pak nesvítí palubka". No já teda někdy zapomenu a když potřebuju, aby svítila palubka, tak si přece rozsvítím ručně.
Takže investice do jedný diody za 5 korun a půl hodiny práce se myslím vyplatí.
Jeden známej mi k tomu napsal "já nikdy nezapomenu rozsvítit a nechtěl bych to, protože mi pak nesvítí palubka". No já teda někdy zapomenu a když potřebuju, aby svítila palubka, tak si přece rozsvítím ručně.
Takže investice do jedný diody za 5 korun a půl hodiny práce se myslím vyplatí.
Pavel Kadečka
Mazda 6, 2.0i, 2004
Citroën Xsara, 1.4i, 2004
Ford Focus Turnier, 1.6i, 2002
Mazda 6, 2.0i, 2004
Citroën Xsara, 1.4i, 2004
Ford Focus Turnier, 1.6i, 2002
-
BRABUS.II
- Nováček

- Příspěvky: 10
- Registrován: 03.01.2009 18:01
- Bydliště: Šternberk
automatické rozsvícení světel
ahoj,
mám na FF nastavené automatické rozsvícení světel.Dám klíč do zapalování do polohy I a rozsvítí se mi světla,ale na otáčecím cuplíku nemám polohu(auto) ale 0,prostě je mám pořád vypnuté.A vždy po vypnutí motoru a otočení klíčku do polohy 0. se mi světla vypnou.Jak mužu používat jen manuální rozsvícení? Dík za odpověď
mám na FF nastavené automatické rozsvícení světel.Dám klíč do zapalování do polohy I a rozsvítí se mi světla,ale na otáčecím cuplíku nemám polohu(auto) ale 0,prostě je mám pořád vypnuté.A vždy po vypnutí motoru a otočení klíčku do polohy 0. se mi světla vypnou.Jak mužu používat jen manuální rozsvícení? Dík za odpověď
Ford Focus kombi II. 1,6 benzin r.v.10/2007 stř.metal
dříve Fo Fo kombi 1,8 tddi r.v.1999
dříve Fo Fo kombi 1,8 tddi r.v.1999
-
zirafak
- Test driver

- Příspěvky: 8970
- Registrován: 02.02.2008 03:18
Re: automatické rozsvícení světel
Zvlastne,ze sa kazdy z nas snazi o to,aby sa nemusel o svetla starat a rozsvecovali sa automaticky a najde sa aj taky,ktoremu to vadi.
Jasne,100 ludi,100 chuti
Myslim,ze by malo stacit vytiahnut poistku k dennemu svieteniu,alebo rele denneho svietenia.Zalezi,akym systemom to mas spojazdnene.Niekto na fore to tusim u 2-hej generacie takto deaktivoval.
Myslim,ze by malo stacit vytiahnut poistku k dennemu svieteniu,alebo rele denneho svietenia.Zalezi,akym systemom to mas spojazdnene.Niekto na fore to tusim u 2-hej generacie takto deaktivoval.
- pkadecka
- Test driver

- Příspěvky: 4764
- Registrován: 18.08.2009 12:39
- Bydliště: Kostelec nad Labem
Re: automatické rozsvícení světel
Brabus: záleží na tom, jak je to v autě udělaný, předpokládám, že nejseš první majitel, pak záleží na tom, jak to udělal ten člověk před tebou. Může bejt nějakej drát od spínací skříňky k vypínači nebo nějakej bastl kolem pojistek a relátek.
Pavel Kadečka
Mazda 6, 2.0i, 2004
Citroën Xsara, 1.4i, 2004
Ford Focus Turnier, 1.6i, 2002
Mazda 6, 2.0i, 2004
Citroën Xsara, 1.4i, 2004
Ford Focus Turnier, 1.6i, 2002
-
BRABUS.II
- Nováček

- Příspěvky: 10
- Registrován: 03.01.2009 18:01
- Bydliště: Šternberk
Re: automatické rozsvícení světel
Já to nechci vypnout,ale někdy je to potřeba tak jsem chtěl být o něco chytřejsí.No,moc nejsem
přesto dík...
Ford Focus kombi II. 1,6 benzin r.v.10/2007 stř.metal
dříve Fo Fo kombi 1,8 tddi r.v.1999
dříve Fo Fo kombi 1,8 tddi r.v.1999
- axet
- Nováček

- Příspěvky: 49
- Registrován: 02.02.2008 03:18
- Bydliště: Cana - Slovensko
- Kontaktovat uživatele:
Re: automatické rozsvícení světel
Otazka ?
Pri dennom svietení musia svieti aj zadne svetlá alebo stačia iba predné ???
(SLOVENSKO)
(som zvedavy na odpovede)
Dakujem
PS: posielajte SZ aby sa to tu neopakovalo..Ď
Pri dennom svietení musia svieti aj zadne svetlá alebo stačia iba predné ???
(SLOVENSKO)
(som zvedavy na odpovede)
Dakujem
PS: posielajte SZ aby sa to tu neopakovalo..Ď
Naposledy upravil(a) axet dne 05.03.2010 08:52, celkem upraveno 1 x.
-
zirafak
- Test driver

- Příspěvky: 8970
- Registrován: 02.02.2008 03:18
Re: automatické rozsvícení světel
Aby tu tato tema nerozprudila opät flame,skus si precitat tieto vlakna a usodok si sprav sam.
http://www.ford-focus.cz/forum/viewtopi ... =65&t=7153
http://www.ford-focus.cz/forum/viewtopi ... =10&t=1198
http://www.ford-focus.cz/forum/viewtopi ... =65&t=7153
http://www.ford-focus.cz/forum/viewtopi ... =10&t=1198
- bororo
- Nováček

- Příspěvky: 185
- Registrován: 02.02.2008 03:18
- Bydliště: Martin
Re: automatické rozsvícení světel
mam nainstalovane automatiske svietenie ARS-SMART. az dovcera islo secko o.k kym sa mi nepodaril vypnut motor ani bez vytiahnuteho kluca zo zapalovania. fofo isiel do servisu a vraj v ARS-SMART zhorela nejaka dioda-vraj je to tam poddimenzovane. 
Je: Ford Focus kombi, 1,5 EcoBoost, ST Line
bol:Ford Mondeo HB, 2.0 Duratec,´07
fotogaleria: viewtopic.php?f=173&p=548637
bol:FF 1,6 16V Combi ´99
bol:Ford Mondeo HB, 2.0 Duratec,´07
fotogaleria: viewtopic.php?f=173&p=548637
bol:FF 1,6 16V Combi ´99
- pkadecka
- Test driver

- Příspěvky: 4764
- Registrován: 18.08.2009 12:39
- Bydliště: Kostelec nad Labem
Re: automatické rozsvícení světel
Zřejmě je to pověšený na relé palivovýho čerpadla (což bude právě to R13 jestli se nemýlím), kdyby v tom mým jednodušším zapojení shořela dioda (do zkratu) a světla by byly zapnutý ručně, tak by taky nešel zhasnout motor, dokud bys nezhasnul světla.
Pavel Kadečka
Mazda 6, 2.0i, 2004
Citroën Xsara, 1.4i, 2004
Ford Focus Turnier, 1.6i, 2002
Mazda 6, 2.0i, 2004
Citroën Xsara, 1.4i, 2004
Ford Focus Turnier, 1.6i, 2002
- moabster
- Nováček

- Příspěvky: 183
- Registrován: 08.07.2008 10:48
- Bydliště: Trnava, SK
Re: automatické rozsvícení světel
Ford Focus combi 2 Ghia, diamtova biela, 1,6TDCi 80kW 10/2005 

-
lubs
- Nováček

- Příspěvky: 20
- Registrován: 23.02.2008 12:45
Re: automatické rozsvícení světel
K poslednímu návodu od pkadecka - zkoušel jsem jednoduchou verzi (propojení jednou diodou). Nemám vůbec relé R13, tak jsem ho nahradil R8 (relé řízení motoru). Světla se mi ale rozsvítí ihned po otočení klíčku do polohy II a ne až po nastartování motoru. Takže obzvlášť teď v zimě je tento způsob téměř k ničemu. Nebo jsem možná něco udělal špatně, nebo to na mém FF nebude fungovat?? Nebo nezná někdo jiný jednoduchý způsob jak rozsvěcovat automaticky až po startu?
Díky za pomoc
Díky za pomoc
Ford Focus II FL Combi, 2.0 107kW LPG, 2008
-
Standa.64
- Zkušený

- Příspěvky: 1352
- Registrován: 09.12.2010 17:34
- Bydliště: Jablonec nad Nisou
Re: automatické rozsvícení světel
Možná to přesně neodpovídá představám diskutujících na tohle téma,možná to třeba někoho zaujme.Vyrábí se i varianty s triplinkem a se světelným senzorem. http://www.cybertronic-labs.cz/product/detail?id=14
Kuga ST-Line X 2.5 Duratec Hybrid AWD Solar
Kdo je online
Uživatelé prohlížející si toto fórum: Žádní registrovaní uživatelé a 3 hosti

