Odporový drát originál Ford DRL -
- Adow
- Člen klubu

- Příspěvky: 6808
- Registrován: 20.05.2011 09:52
- Bydliště: Kousek od Brna
Odporový drát originál Ford DRL -
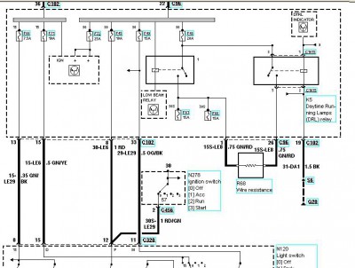
Při hledávání volného drátu mezi pojistkovou skříňkou u spolujezdce jsem narazil na konektoru C96 na pin 1 a 26. Tyto piny jsou propojeny dlouhým odporovým drátem, který údajně vede někam k nárazníku, tam se bez přerušení otočí a jde zpět do pojistkovky. Drát slouží pro originál forďácké denní svícení. Já nemám osazenou ani patici pro relé, ani tyto piny na C96. Rád bych drát využíl místo protahování nového.. Neví někdo, kam přesně ten drát vede? Mockrát díky za info!
Ford Focus 2 - po FL...
Ford Focus 2 - po FL...
Je: Ford S-max II, 2.0 TDCi
Je: Ford B-max, 1.0 EB
Je: BMW i3, BEV 125 kW
Byl: Ford S-max I, 1.8 TDCi
Byl: Ford Focus III Combi FL, 1.5 EB
Byl: Ford Focus II Combi FL, 1.6i
Je: Ford B-max, 1.0 EB
Je: BMW i3, BEV 125 kW
Byl: Ford S-max I, 1.8 TDCi
Byl: Ford Focus III Combi FL, 1.5 EB
Byl: Ford Focus II Combi FL, 1.6i
- ZaQik
- Admin

- Příspěvky: 25000
- Registrován: 30.05.2010 17:33
- Bydliště: exit 82 na D0
Re: Odporový drát originál Ford DRL -
nekam k pojistkovce v motoru; k narazniku ne-e

Ford Focus mk3 combi 1.6 Ti-VCT, r.v.2018 + Ford Fiesta mk7 3D 1.25, r.v.2014
byl Ford Focus mk2 combi 1.6, r.v.2009 + Ford Fiesta mk6 1.4 TDCi r.v. 2004
Nejsem poradna, encyklopedie ani hotline spolecnosti Ford - ptejte se na foru, od toho je.
byl Ford Focus mk2 combi 1.6, r.v.2009 + Ford Fiesta mk6 1.4 TDCi r.v. 2004
Nejsem poradna, encyklopedie ani hotline spolecnosti Ford - ptejte se na foru, od toho je.
- zdenyvm
- Pokročilý

- Příspěvky: 585
- Registrován: 09.03.2010 15:29
- Bydliště: Zlínský kraj
Re: Odporový drát originál Ford DRL -
Já bych zas moooc potřeboval ten drát, nevíte někdo aspoň z jakého je drátu, jak je dlouhý nebo jestli se dá někde sehnat...?
- Adow
- Člen klubu

- Příspěvky: 6808
- Registrován: 20.05.2011 09:52
- Bydliště: Kousek od Brna
Re: Odporový drát originál Ford DRL -
Je to lanko 0,75mm2 - aspoň podle schématu. Délka teda asi 4m. Odpor jsem ještě neměřil.. Moje auto má ořezanej GEM a nemám tam patici pro relé a pojistky. Takže budu tento drát využívat k jinému účelu. Vytahovat ho ale ani nemůžu - je ve svazku - a navíc ho chci právě proto, abych nemusel natahovat drát novej
.
Je: Ford S-max II, 2.0 TDCi
Je: Ford B-max, 1.0 EB
Je: BMW i3, BEV 125 kW
Byl: Ford S-max I, 1.8 TDCi
Byl: Ford Focus III Combi FL, 1.5 EB
Byl: Ford Focus II Combi FL, 1.6i
Je: Ford B-max, 1.0 EB
Je: BMW i3, BEV 125 kW
Byl: Ford S-max I, 1.8 TDCi
Byl: Ford Focus III Combi FL, 1.5 EB
Byl: Ford Focus II Combi FL, 1.6i
- pepa.marecek
- Nováček

- Příspěvky: 113
- Registrován: 05.09.2009 17:31
- Bydliště: Třebenice,severni čechy
Odporový drát originál Ford DRL -
Naposledy upravil(a) pepa.marecek dne 26.11.2011 19:15, celkem upraveno 1 x.
Ford C-MAX 2.0 TDCi ,Ghia ,2005
- Adow
- Člen klubu

- Příspěvky: 6808
- Registrován: 20.05.2011 09:52
- Bydliště: Kousek od Brna
Re: Odporový drát originál Ford DRL -
Tak já jsem se dneska hrabal v autě. Ten odporovej drát jsem ve FJB (pojistkovka motoru) nenašel, tak jsem stejně natahoval nové dráty.. Každopádně jsem měřil ten odpor. Dopadl jsem stejně jako ZaQik - 0 ohmů - nic jsem nenaměřil
...
Je: Ford S-max II, 2.0 TDCi
Je: Ford B-max, 1.0 EB
Je: BMW i3, BEV 125 kW
Byl: Ford S-max I, 1.8 TDCi
Byl: Ford Focus III Combi FL, 1.5 EB
Byl: Ford Focus II Combi FL, 1.6i
Je: Ford B-max, 1.0 EB
Je: BMW i3, BEV 125 kW
Byl: Ford S-max I, 1.8 TDCi
Byl: Ford Focus III Combi FL, 1.5 EB
Byl: Ford Focus II Combi FL, 1.6i
- zdenyvm
- Pokročilý

- Příspěvky: 585
- Registrován: 09.03.2010 15:29
- Bydliště: Zlínský kraj
Re: Odporový drát originál Ford DRL -
Nedá se místo toho drátového odporu R68 zapojit nějaký jiný, klasický...?
Odporových drátů průměr 0,75 jsou mraky hodnot.
Odporových drátů průměr 0,75 jsou mraky hodnot.
- Adow
- Člen klubu

- Příspěvky: 6808
- Registrován: 20.05.2011 09:52
- Bydliště: Kousek od Brna
Re: Odporový drát originál Ford DRL -
Vsadím se, že je to naprosto normální drát (tedy lanko) 0,75mm2. Nic extra. Je divný, že jsem tam nenaměřil žádný odpor - to by spíš napovídalo tomu, že to není žádná specialita. Spíš bych to zkusil s tím 68-ohmovým odporem - samozřejmě patřičně dimenzovaným..
Seš si jistej, že Ti to DRL nefunguje právě kvůli tomuto drátu?
Seš si jistej, že Ti to DRL nefunguje právě kvůli tomuto drátu?
Je: Ford S-max II, 2.0 TDCi
Je: Ford B-max, 1.0 EB
Je: BMW i3, BEV 125 kW
Byl: Ford S-max I, 1.8 TDCi
Byl: Ford Focus III Combi FL, 1.5 EB
Byl: Ford Focus II Combi FL, 1.6i
Je: Ford B-max, 1.0 EB
Je: BMW i3, BEV 125 kW
Byl: Ford S-max I, 1.8 TDCi
Byl: Ford Focus III Combi FL, 1.5 EB
Byl: Ford Focus II Combi FL, 1.6i
- pepa.marecek
- Nováček

- Příspěvky: 113
- Registrován: 05.09.2009 17:31
- Bydliště: Třebenice,severni čechy
Re: Odporový drát originál Ford DRL -
...zajimalo by mně,jestli to někomu funguje (systemus DRL ): den 100% a
noc 85-80% svitivost žarovky ???
...jinak jsem to taky zkoušel a fungovalo mi to ale svitilo to stejně (na 100% den/noc), vzdavam to a jdu do LED denniho sviceni.
noc 85-80% svitivost žarovky ???
...jinak jsem to taky zkoušel a fungovalo mi to ale svitilo to stejně (na 100% den/noc), vzdavam to a jdu do LED denniho sviceni.
Ford C-MAX 2.0 TDCi ,Ghia ,2005
- zdenyvm
- Pokročilý

- Příspěvky: 585
- Registrován: 09.03.2010 15:29
- Bydliště: Zlínský kraj
Re: Odporový drát originál Ford DRL -
Jsem na tom stejně a vsadím boty, že je zakopaný pes v tom kabelu mezi 1 a 26. Nějak mi nedává smysl, že by tam byl i kdyby 4 metry dlouhý kabel - co to má za význam? Odpor u krátké spojky a 4m dlouhého drátu bude stejný...
Rád bych to dodělal, ale bez specifikace toho pekelného drátu to asi nedám...
Rád bych to dodělal, ale bez specifikace toho pekelného drátu to asi nedám...
- ZaQik
- Admin

- Příspěvky: 25000
- Registrován: 30.05.2010 17:33
- Bydliště: exit 82 na D0
Re: Odporový drát originál Ford DRL -
- pri reseni denniho sviceni original ford sviti svetla opravdu na nizsi vykon (procenta neodhadnu)
- dnes jsem tu propojku meril galvanomerem - ma 0,08 ohm (coz vzhledem k chybe meraku a jeho stari jen znaci, ze je to OBYCEJNY drat), ktery ma skoro 5m na delku
- dnes jsem tu propojku meril galvanomerem - ma 0,08 ohm (coz vzhledem k chybe meraku a jeho stari jen znaci, ze je to OBYCEJNY drat), ktery ma skoro 5m na delku
Ford Focus mk3 combi 1.6 Ti-VCT, r.v.2018 + Ford Fiesta mk7 3D 1.25, r.v.2014
byl Ford Focus mk2 combi 1.6, r.v.2009 + Ford Fiesta mk6 1.4 TDCi r.v. 2004
Nejsem poradna, encyklopedie ani hotline spolecnosti Ford - ptejte se na foru, od toho je.
byl Ford Focus mk2 combi 1.6, r.v.2009 + Ford Fiesta mk6 1.4 TDCi r.v. 2004
Nejsem poradna, encyklopedie ani hotline spolecnosti Ford - ptejte se na foru, od toho je.
-
Standa.64
- Zkušený

- Příspěvky: 1352
- Registrován: 09.12.2010 17:34
- Bydliště: Jablonec nad Nisou
Re: Odporový drát originál Ford DRL -
S tím jsem vloni taky experimentoval,propojka pinů 1 a 26 by měla mít 0,3 ohmu a žárovky svítí tak odhadem na 45W. Problém byl, že výkonový odpor dost hřál,tak jsem toho radši nechal a vyřešil to modulem od cyberlinku.
Kuga ST-Line X 2.5 Duratec Hybrid AWD Solar
- pepa.marecek
- Nováček

- Příspěvky: 113
- Registrován: 05.09.2009 17:31
- Bydliště: Třebenice,severni čechy
Re: Odporový drát originál Ford DRL -
"modul od cyberlinku" co to je? a jakou to ma funkci?
Ford C-MAX 2.0 TDCi ,Ghia ,2005
-
Standa.64
- Zkušený

- Příspěvky: 1352
- Registrován: 09.12.2010 17:34
- Bydliště: Jablonec nad Nisou
Re: Odporový drát originál Ford DRL -
Samozřejmě omluva,není to cyberlink ale cybertronik ,už jsem s těch elektronických názvů zmatený.Jinak se modul už tady někde na fóru řešil,ale vložím odkaz http://www.cybertronic-labs.cz/product/detail?id=14
Kuga ST-Line X 2.5 Duratec Hybrid AWD Solar
- pepa.marecek
- Nováček

- Příspěvky: 113
- Registrován: 05.09.2009 17:31
- Bydliště: Třebenice,severni čechy
Re: Odporový drát originál Ford DRL -
No a jak jsi s tim modulem spokojenej?
Ford C-MAX 2.0 TDCi ,Ghia ,2005
Kdo je online
Uživatelé prohlížející si toto fórum: Žádní registrovaní uživatelé a 3 hosti




