Mám problém po výměně (repasu) vstřikovačů a palivového čerpadla. Motor 1.8 TDCi 85kW r.v. 2003. Po výměně u neautorizovaného servisu mi palubní počítač neukazuje správně aktuální a průměrnou spotřebu.
Aktuální spotřeba se zobrazuje, ovšem v jednotkách litr/hod. Průměrná se zobrazuje stále na 55 l/100km (což je maximum).
Servis si s tím zdá se neví rady. Nemáte někdo podobnou zkušenost. Co se musí udělat?
Díky
Palubní počítač po výměně vstřikovačů
- matt200
- Nováček

- Příspěvky: 17
- Registrován: 07.09.2009 11:26
Palubní počítač po výměně vstřikovačů
____________________
Ford Focus 3dv, r.v. 2003, 1.8 TDCi 85kW, BHP Motorsport
Ford Focus 3dv, r.v. 2003, 1.8 TDCi 85kW, BHP Motorsport
-
xbobcz
- Junior

- Příspěvky: 260
- Registrován: 11.04.2011 21:16
- Bydliště: Brno
Re: Palubní počítač po výměně vstřikovačů
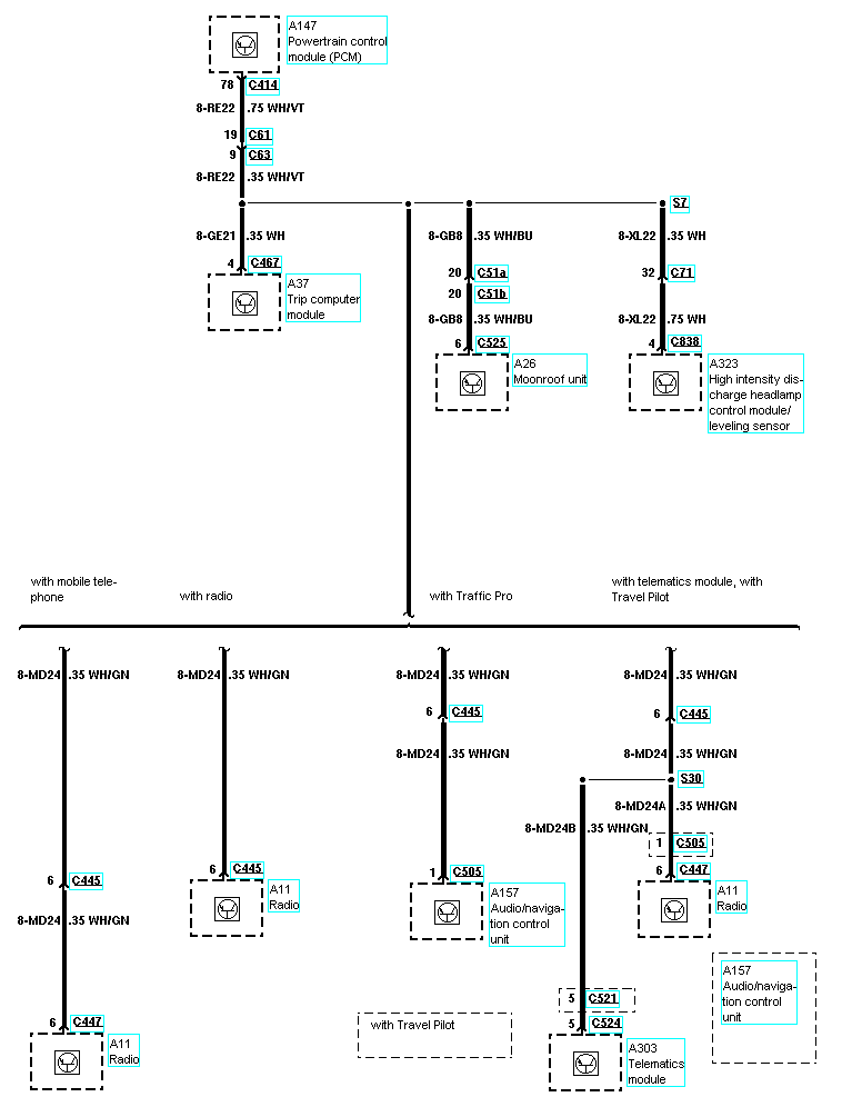
Pravdepodobne se jim povedlo nekde prerusit signal o rychlosti ktery jde do palubniho PC. Tim padem si stale mysli, ze stojis a ukazuje hodnotu v l/h. Je to divne, ze se to stalo pri vymene vstriku. Tenhle signal jde z ridici jednotky jeste do dalsich veci jako je autoradio apod. V priloze mas schema kam vede ten signal. Pomoci originalni diagnostiky (IDS) to jde i otestovat jestli to do toho pal PC jde. Jinak to chce zkontrolovat kabelaz.
Focus II 1.8 TDCi
- matt200
- Nováček

- Příspěvky: 17
- Registrován: 07.09.2009 11:26
Re: Palubní počítač po výměně vstřikovačů
Tak problém vyřešen. Jsem se na to vrhl sám, zjistil jsem, že je to opravdu signál rychlosti, který nedává správná data (napětí) do palubního počítače. Signál byl uzemněn a tudíž si palubák myslel, že auto stále stojí.
____________________
Ford Focus 3dv, r.v. 2003, 1.8 TDCi 85kW, BHP Motorsport
Ford Focus 3dv, r.v. 2003, 1.8 TDCi 85kW, BHP Motorsport
Kdo je online
Uživatelé prohlížející si toto fórum: Žádní registrovaní uživatelé a 1 host

