Chybí mínus na relé žhavení
-
nextn
- Nováček

- Příspěvky: 9
- Registrován: 28.02.2008 21:07
Chybí mínus na relé žhavení
Dobrý den.Prosím o radu.Při mrazu jsem nenastartoval.Fofo 1.8 TDdi 66kw 2000.Žhaviče proměřeny,OK.Zjstil jsem,že nespíná relé žhavení.Pro kontrolu jsem ho zapojil natvrdo a je v pohodě.Přívod do relé naměřím 12V,ale odpor mezi mínusem vinutí relé a kostrou je cca 600ohm.Vypadá to,že řídící jednotka nepustí mínus do relé.Na diagnostice zjištěna závada na žhavení a na teplotním čidle hlavy.Čidlo jsem vyměnil bez úspěchu.Zjistil jsem,že čidlo čím je chladnější motor,tím má větší odpor až do asi 65 kohm.Zkusil jsem ho odpojit (max odpor) bez výsledku.Naopak při proklemování na poprvé žhaví,pustí větrák a zvedne otáčky na volnoběhu cca na 1000 (nouzový režim?).Napodruhé už nenažhaví.Nevíte,co ještě řídící jednotka vyhodnocuje pro žhavení případně naco se zaměřit? Děkuji za odpovědi.
Naposledy upravil(a) nextn dne 01.03.2008 12:22, celkem upraveno 1 x.
- pelen
- Test driver

- Příspěvky: 9259
- Registrován: 02.02.2008 03:18
- Bydliště: Nový Jičín
- Kontaktovat uživatele:
Re: Chybí mínus na relé žhavení
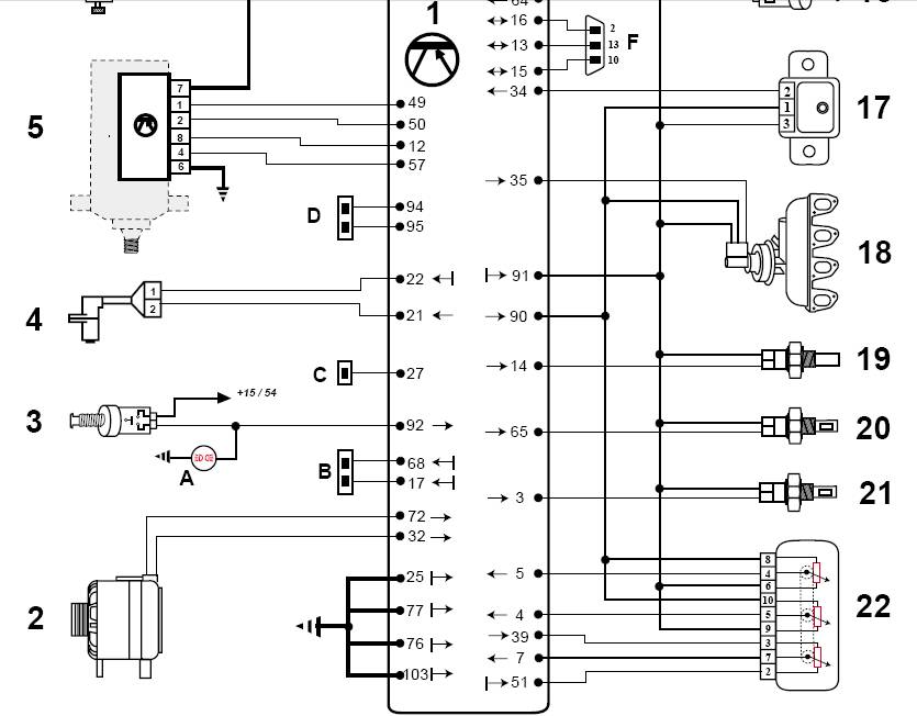
Ridici jednotka:
- pelen
- Test driver

- Příspěvky: 9259
- Registrován: 02.02.2008 03:18
- Bydliště: Nový Jičín
- Kontaktovat uživatele:
Re: Chybí mínus na relé žhavení
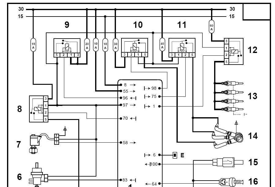
Kontrola zhavicu:
-
nextn
- Nováček

- Příspěvky: 9
- Registrován: 28.02.2008 21:07
Re: Chybí mínus na relé žhavení
Něco z toho přeložím,ale bohužel ne celé.Každopádně žhaviče jsou OK.Jedná se teď už jen o to dostat do nich šťávu.Dneska ráno teplota okolo +5.Měřil sem napětí mezi kostrou a přívodem k žhavičkám.Po otočení klíčem naběhlo(poprvé!!) napětí cca10V.Zhruba po 10ti sec. žhavení odpadlo a seplo se ještě po nastartování.To myslím,že má tak fungovat.I tak prosím,pokud někdo napoví,co ještě ovlivňuje jednotku (teplota vody,vzduchu...?),aby vyhodnotila,že je potřeba žhavit a kde to najdu.Díky
Naposledy upravil(a) nextn dne 01.03.2008 12:25, celkem upraveno 1 x.
- pelen
- Test driver

- Příspěvky: 9259
- Registrován: 02.02.2008 03:18
- Bydliště: Nový Jičín
- Kontaktovat uživatele:
Re: Chybí mínus na relé žhavení
Melo by to byt rizeno jen teplotnim senzorem na hlave motoru.
Senzor teploty hlavy CHT:
Senzor teploty hlavy CHT:
- Přílohy
-
- CHT sensor 1.jpg (6.76 KiB) Zobrazeno 4138 x
-
- CHT senzor.jpg (11.1 KiB) Zobrazeno 4143 x
-
nextn
- Nováček

- Příspěvky: 9
- Registrován: 28.02.2008 21:07
Re: Chybí mínus na relé žhavení
Tak žhavení funguje.Byl to snímač teploty.Starty stále nic moc.Jdu koupit baterku.Při startu klesá někam k osmi voltům a nabíječka hlásí po čtyřech hodinách plný stav.
- pelen
- Test driver

- Příspěvky: 9259
- Registrován: 02.02.2008 03:18
- Bydliště: Nový Jičín
- Kontaktovat uživatele:
Re: Chybí mínus na relé žhavení
Hlavne, ze jsi na to prisel. Baterku kup alespon 70Ah.
-
nextn
- Nováček

- Příspěvky: 9
- Registrován: 28.02.2008 21:07
Re: Chybí mínus na relé žhavení
Zatím si pořád nejsem jistej.Pročítám tady sekci Akumulátor a vzhledem k životnosti koupím asi originál.Vydržela osm let.Chudinka.Pak jedině startér
- pelen
- Test driver

- Příspěvky: 9259
- Registrován: 02.02.2008 03:18
- Bydliště: Nový Jičín
- Kontaktovat uživatele:
Re: Chybí mínus na relé žhavení
8 let vydrzela, protoze do aut jde 1. jakost, do nahradnich dilu jdou uz ty horsi.
-
nextn
- Nováček

- Příspěvky: 9
- Registrován: 28.02.2008 21:07
Re: Chybí mínus na relé žhavení
Tak jinou?Jakou?
- pelen
- Test driver

- Příspěvky: 9259
- Registrován: 02.02.2008 03:18
- Bydliště: Nový Jičín
- Kontaktovat uživatele:
Re: Chybí mínus na relé žhavení
Podivej se do sekce baterie, tam najdes dost nazoru. Mela by to byt baterie s kalciem, protoze potrebuje o cca 0,2-0,3V vyssi nabijeci napeti a nabijeni u Focusu je na toto napeti nastaveno. Ja jsem tam dal obycejnou, protoze se musi uz trvale svitit svetly a napeti zhruba o tento rozdil pri sviceni klesne.
-
nextn
- Nováček

- Příspěvky: 9
- Registrován: 28.02.2008 21:07
Re: Chybí mínus na relé žhavení
A jaký máš u obyč baterie startovací proud?respektive kolik může být nejméně.Načteno už mám.
- pelen
- Test driver

- Příspěvky: 9259
- Registrován: 02.02.2008 03:18
- Bydliště: Nový Jičín
- Kontaktovat uživatele:
-
nextn
- Nováček

- Příspěvky: 9
- Registrován: 28.02.2008 21:07
Re: Chybí mínus na relé žhavení
Tak baterka je nová.Raní start stále není 100%,ale je to lepší.Opravář mi nabíd,že při další prohlídce zkontroluje startér.Jinak sem aspoň po přečtení fóra zprovoznil asi po roce DO k autu.
- pelen
- Test driver

- Příspěvky: 9259
- Registrován: 02.02.2008 03:18
- Bydliště: Nový Jičín
- Kontaktovat uživatele:
Re: Chybí mínus na relé žhavení
Jako dalsi bych zkontroloval a ocistil ukostreni baterky i starteru.
Kdo je online
Uživatelé prohlížející si toto fórum: Žádní registrovaní uživatelé a 5 hostů



