Tempomat

Odpovědět
Milan86

Re: Tempomat

Příspěvek od Milan86 » 12.08.2011 20:03

AHoj pánové, tak jsem konečně dočetl toto vlákno a je mi nějak nevolno hh těch stránek :bravo22: ... bylo toho moc a mladá už nadává, at se jí věnuju :shocked: :dih: :huraa

Prosím mam pár otázek:

Mam Fočuse 09, 1,6 benzín a chtěl bych moc tempomat, aspoň nějaká záplata za šíleně hlučný motor na dálnici už při 130 km/h :dih: :(
Měl bych zájem asi o tu předělávku z ovládání radia, 3 ramenný volant se mi líbí a pěkně se drží a chtěl jsem ho při koupi Fordíku ... blbec jsem nešel rovnou do tempomatu :wallbash: :wallbash: :irre:
Příště už tu chybu neudělám :nazdravi: Takže pokud mi to půjde, tak napište kam zavolat nebo napsat ... Jsem z Prahy, ale udělám si s přítelkou klidně i výlet mno, pokud to nebude až do SK :ble2: :Dancer: Ale někde blízko by to bylo super, hlavně abych to měl a kolik to tedy stojí a funguje to dobře a i ovládáni super ??
Musim zajít do auta a zkusit jak se mi to bude ovládat při jízdě, já to ani moc nepoužívám na to rádio :nazdravi:

SNad nebudete nadávat že se zase ptám, budu moc vděčný a zajímá mě taky názor nebo rada od vlastně zakladatele této super věci ... Samantus :bravo22: :bravo22:

Medmen
Pokročilý
Pokročilý
Příspěvky: 933
Registrován: 05.09.2009 17:33
Bydliště: Praha
Kontaktovat uživatele:

Re: Tempomat

Příspěvek od Medmen » 12.08.2011 21:14

foki píše:
Medmen píše:Tak už taky tempomatuju.

Velké díky patří Zaqikovi za volant a Fokimu za výměnu a aktivaci :palec_nahoru:

Pánové děkuji :gott:

a jeste si kontrolujes tlak v pneu a blinkry blikaji samy ne ?
Je to tak Foki, je to tak :Dancer:

Jen ještě nebyl čas ty ostatní nově aktivované funkce vyzkoušet.
To už je ale off topic ;)
Je: Ford Focus combi III Titanium 2018 1.5 16V 110kw, Caribou, po FL
Bylo: Ford Focus combi II Style 2008 1.6 16V 74kw, Vision Blue, po FL

MK2
Test driver
Test driver
Příspěvky: 4585
Registrován: 01.09.2008 20:30
Bydliště: Kolín, Nedašov

Re: Tempomat

Příspěvek od MK2 » 13.08.2011 10:44

saymoncze: Nejjednoduchší způsob jak tam dát tempomat je vyměnit volant s tlačítkama. Teda pokud máš přípravu na tempomat (kablíky, GEM, apod.) Pokud chceš nechat tříramenný volant musíš předělat ovládání od rádia... Samantus to dělal v Parubicích, jenže teď už u Forda nedělá :|
Takže zbývá varianta předělej si to sám a doufej, že to v servisu přes IDS zprovozní :D

Info a návod najdeš tu :arrow: Tempomat
2012 Mazda 3 2.0DISI 111kW

Milan86

Re: Tempomat

Příspěvek od Milan86 » 13.08.2011 11:43

MK2 píše:saymoncze: Nejjednoduchší způsob jak tam dát tempomat je vyměnit volant s tlačítkama. Teda pokud máš přípravu na tempomat (kablíky, GEM, apod.) Pokud chceš nechat tříramenný volant musíš předělat ovládání od rádia... Samantus to dělal v Parubicích, jenže teď už u Forda nedělá :|
Takže zbývá varianta předělej si to sám a doufej, že to v servisu přes IDS zprovozní :D

Info a návod najdeš tu :arrow: Tempomat

Díky, ty seš blázen nééé prej sááám :irre: :shocked: :D Já fakt ne a neni tady někdo z Prahy kdo to umí nebo tak, Tak až tady někdo bude at dá vědět a půjde mi to na tom mim 09 benzín ?? Kua štve mě, že nemam žádného známeho servisáka s timhle všim :wallbash: :wallbash: Bylo to vše lehčí :shocked: Juknu na to :nazdravi:

Teda né že bych se chtěl zbavovat 4 ramn volantu, ale možná pro ten tempomat udělám výjimku a kde ho mam hledat ? Asi na netu někde co u Fordu bude drahej jako vždy ... :shocked: :shocked: NEvim jestli to zvládnu sám, to nějak pořešim, ale jde o to jestli se to pak povolí přez tu diag, :nixw: :gott: Hledám někoho komu se to povedlo u novějšího Fočuse jako mam já ...

zofli
Junior
Junior
Příspěvky: 251
Registrován: 17.12.2008 15:19
Bydliště: Královehradecký kraj

Re: Tempomat

Příspěvek od zofli » 14.08.2011 08:56

Tak jsi našel, já mám 2010 a funguje to.... Minuly týden mi to zprovoznili v servise. Obnášelo to výměnu volantu a diagnostiku. Podívej se na GEM jaky máš, a uvidíš.
Ford Focus II 1.6TDCi kombi r.v.2010.05 - sea grey
Ford Mondeo III 2.2TDCi 5dv r.v.2005.12 - modrá octane -> prodáno
Ford Focus I 1.6i 16V ZETEC r.v.2001 sedan + LPG -> prodáno

Milan86

Re: Tempomat

Příspěvek od Milan86 » 14.08.2011 09:44

zofli píše:Tak jsi našel, já mám 2010 a funguje to.... Minuly týden mi to zprovoznili v servise. Obnášelo to výměnu volantu a diagnostiku. Podívej se na GEM jaky máš, a uvidíš.

Díky, já právě uvažuji o té přestavbě z ovladání radia a kde jsi volant pořídil prosimtě a to i s novým airbagem že a kolik to stálo celé ? ? :nazdravi: :bravo22:
A v jakym servise ( to se poptám, stačí asi nějaký autoelektrikář co má DIAG vid ? ... moc díky za info a to rád slyšim, že mi to snad půjde :huraa:
A vůbec nevim co je GEM a to tady to vláknu čtu každý den :shocked: :irre: :dih: :gott:


Díky a kdyžtak nahoď nějakou fotku volantu co :palec_nahoru:

MK2
Test driver
Test driver
Příspěvky: 4585
Registrován: 01.09.2008 20:30
Bydliště: Kolín, Nedašov

Re: Tempomat

Příspěvek od MK2 » 14.08.2011 17:33

Nevíš kde je GEM? Máš to napsané v této sekci (Interier - 2004-2010) hned vedle tématu Tempomat!
2012 Mazda 3 2.0DISI 111kW

Uživatelský avatar
Giggo
Zkušený
Zkušený
Příspěvky: 1215
Registrován: 06.02.2011 09:43
Bydliště: Praha

Re: Tempomat

Příspěvek od Giggo » 15.08.2011 09:42

saymoncze
Dívat se na to jakej máš GEM je kontraproduktivní. Když sme tu rozjeli tempomaty už na všech verzích GEMů :)
Co potřebuješ vědět, je jestli máš osazený PINy 10 a 18 na konektoru 103 v GEMU viz. http://www.ford-focus.cz/forum/download ... &mode=view
a jestli Ti vedou kabely pod volant - viz. obrázek http://www.ford-focus.cz/forum/download ... &mode=view

Pokud toto je, tak je v podstatě jedno jakej máš GEM a si v pohodě.
Co se týče přehození volantu 3 -> 4 ramenno s tím Ti v Praze klidně pomůžu (pak stačí nějakej FORD servis aby aktivovali tempo). Za panelákem jsem si přehazoval vlastní a ani airbagem sem do ksichtu nedostal, takže na to si troufám.
Elektrice trošku rozumím, takže asi bych dokázal i přeletovat odpory v ovládání rádia a udělat z něj ovládání tempomatu, ale to už je prozměnu práce, s kterou se mi ani náhodou piplat nechce (třeba se tu ozve někdo, kdo si rád hraje mikropájkou).

Chtěl bych se trošku zastat zakladatele není to Samantus, ale Postak. To on dotáhl tempomatování na nejvyšší úroveň :)
Mondik IV. 2011 2.0 TDCi 120kW
dříve FoFo II. 2006 1.6 TDCi 80kW@106kW

Uživatelský avatar
Giggo
Zkušený
Zkušený
Příspěvky: 1215
Registrován: 06.02.2011 09:43
Bydliště: Praha

Re: Tempomat

Příspěvek od Giggo » 15.08.2011 09:44

Medmen píše:
foki píše:
Medmen píše:Tak už taky tempomatuju.

Velké díky patří Zaqikovi za volant a Fokimu za výměnu a aktivaci :palec_nahoru:

Pánové děkuji :gott:

a jeste si kontrolujes tlak v pneu a blinkry blikaji samy ne ?
Je to tak Foki, je to tak :Dancer:

Jen ještě nebyl čas ty ostatní nově aktivované funkce vyzkoušet.
To už je ale off topic ;)
Co to tu kujete pánové? Co bliká samo? Já chcu taky :)

Mírně OT: FOKI: nezkoušel si někdy na před FL Focusech aktivovat ukazatel aktuální spotřeby? Případně jak na to?

Díky
Mondik IV. 2011 2.0 TDCi 120kW
dříve FoFo II. 2006 1.6 TDCi 80kW@106kW

MK2
Test driver
Test driver
Příspěvky: 4585
Registrován: 01.09.2008 20:30
Bydliště: Kolín, Nedašov

Re: Tempomat

Příspěvek od MK2 » 15.08.2011 18:57

Na druhý pokus to vyšlo a už jezdím s tempomatem :hhura: :hhura:

Důkaz místo slibů:
kontrolka svítí :)
kontrolka svítí :)
Ted tam mám teda dva ovladače vlevo na sloupku řízení za sebou. Ovládání rádia zůstalo beze změny, přidal jsem za něho druhý na ovládání tempomatu.
Všem kteří pomohli radami a návody velké DÍKY :bravo22:
2012 Mazda 3 2.0DISI 111kW

MK2
Test driver
Test driver
Příspěvky: 4585
Registrován: 01.09.2008 20:30
Bydliště: Kolín, Nedašov

Re: Tempomat

Příspěvek od MK2 » 15.08.2011 19:02

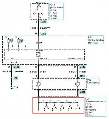
Musím ještě uporornit, že tom schématu je špatně označeno SET+ a SET- :!:
tempomat_ovladani.jpg
Tlačítko (spínač) č. 8 má být SET+ a č.9 je SET- :idea: Kdokoliv by to chtěl dělat podle toho schematu nech pamatuje, že je to obráceně. Proto se mi taky nezdálo to zapojení o několik příspěvků zpět...
2012 Mazda 3 2.0DISI 111kW

Cechacek
Nováček
Nováček
Příspěvky: 11
Registrován: 14.06.2011 17:47

Re: Tempomat

Příspěvek od Cechacek » 15.08.2011 21:20

Nazdárek.
Dobře Ti poradím.
Jestli chceš tempomat,tak si kup auto s tempomatem.
Jestli chceš auto a ASR a ESP,tak si kup auto s ASR a ESP.
Předělávat sériové věci stojí většinou za h...o.
To je má rada.

Uživatelský avatar
Raada
Test driver
Test driver
Příspěvky: 2789
Registrován: 07.09.2008 00:35
Bydliště: Exit 10 na D10

Re: Tempomat

Příspěvek od Raada » 15.08.2011 21:38

To je rada na ho*no. Je pravda, ze dodelavat ABS a ESP by slo dost obtizne a hlavne draze (vyrazne draz, nez kdyz si to koupis rovnou). Ale dodelat tempomat nebo treba bluetooth jde a vyjde levneji nez original. No a pokud mas ojetinu tak s tim houby nadelas a kdyz mas zajem o tempomat tak si ho proste nechas dodelat. Funguje to presne jako original a jsou tam pouzity i originalni dily, tak nevim proc by to nemelo fungovat.

Uživatelský avatar
Giggo
Zkušený
Zkušený
Příspěvky: 1215
Registrován: 06.02.2011 09:43
Bydliště: Praha

Re: Tempomat

Příspěvek od Giggo » 16.08.2011 09:20

Cechacek S takovejma radama tu moc nepochodíš. To je jak kdybys řekl kupil si auto na 16tkach, proč tam dávat 17 nebo 18.

MK2 Ty po FL budíky sou tak krásný 8)

Nezkoušel někdo přehodit budíky z po FL do před FL :twisted:
Mondik IV. 2011 2.0 TDCi 120kW
dříve FoFo II. 2006 1.6 TDCi 80kW@106kW

Uživatelský avatar
Raada
Test driver
Test driver
Příspěvky: 2789
Registrován: 07.09.2008 00:35
Bydliště: Exit 10 na D10

Re: Tempomat

Příspěvek od Raada » 16.08.2011 10:40

K tem budikum - ja jsem naopak rad za ty nase pred FL. Ta zaplava stribrne i na stredovem panelu se mi vubec nelibi. Prijde mi to takovy kycovity.

Odpovědět

Zpět na „Focus - interier - 2004 - 2011“

Kdo je online

Uživatelé prohlížející si toto fórum: Žádní registrovaní uživatelé a 3 hosti